产品信息 product information
产品目录
当前位置:首页 > 产品展示 > 潜污泵 > 正文
ZPG70系列潜水污水提升泵
泽德潜污泵ZPG70系列潜水污水提升泵,潜污泵

产品用途:
泽德潜污泵ZPG70系列污水提升泵用于排放无粪便的污水,排放雨水和地表水 ,便携式泵紧急排水和运河排空。

产品特点:
ZPG70系列污水提升泵,用于便携式或固定式应用,电机绕组带热过载保护,串联式机械密封,电机外壳和叶轮采用铸铁,轴的材质为不锈钢的。

推荐产品:

ZPG70系列潜水污水提升泵产品特点:
•潜污泵,铸铁制成的壳体
•用于便携式或固定式应用
•电机绕组带热过载保护
•串联式机械密封(ZPG70)
•泵体,电机外壳和叶轮采用铸铁,轴的材质为不锈钢的
•由三相或单相电机驱动
•ZPG70 - 叶轮20 mm的间隙
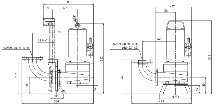
•压力排口都是DN50
• ZPG70.X可选浮球开关(附件)
 

应用:
•排放无粪便的污水
•排放雨水和地表水
•便携式泵紧急排水和运河排空

型号

序列号

P1

[kW]

P2

[kW]

电压

[V]

电流

[A]

转速

[min-1]

Qmax

[m3/h]

Hmax

[m]

重量

[kg]

ZPG 70.1 W

13090

2,2

1,6

230

10,5

2800

32

14

38

ZPG 70.1 D

13091

2,1

1,7

400

3,7

2800

32

14

38

ZPG 70.2 D

13096

2,1

1,7

400

3,7

2800

34

18

40

ZPG 70.3 D

13099

3,9

3,2

400

6,5

2800

36

23

44

ZPG 70.4 D

13101

3,9

3,2

400

6,5

2800

36

28

46

ZPG 70.1 W Ex

13093

2,2

1,6

230

10,5

2800

32

14

38

ZPG 70.1 D Ex

13094

2,1

1,7

400

3,7

2800

32

14

38

ZPG 70.2 D Ex

13098

2,1

1,7

400

3,7

2800

34

18

40

ZPG 70.3 D Ex

13100

3,9

3,2

400

6,5

2800

36

23

44

ZPG 70.4 D Ex

13103

3,9

3,2

400

6,5

2800

36

28

46

 

全国客服热线:400-028-6266

E-mail:zehnder@zehnder-pump.com

官网网址:http://www.zehnder-pump.com

移动端:http://m.zehnder-pump.com/

关注泽德微信
关注泽德微博

Copyright © 2014 四川仁邦环保科技有限公司   污水提升器 污水提升泵 污水提升装置 www.zehnder-pump.com all rights reserved.

蜀ICP备13007897号-6